新移科技XY6877ZA安卓核心板 是一款基于 聯發科MTK6877 (聯發科技天璣 900 )平臺、工業級高性能、可運行 android12.0 操作系統的 5G AI智能模塊。XY6877ZA(MT6877天璣 900平臺)擁有出色的 4K HDR 視頻錄制引擎和旗艦級降噪技術,能夠捕捉所有環境中的每個細節。集成在芯片中的 5G 調制解調器提供了速度更快、覆蓋更廣的 5G 網絡連接,同時擁有卓越的 5G 通信功耗表現。

XY6877ZA安卓核心板 是一款基于 MTK 的 MT6877(聯發科技天璣 900 )平臺、工業級高性能、可運行 android 12.0操 作 系 統 的 5G AI 智能模塊 , 支 持 NR-SA/NR-NSA/LTE-FDD(CAT-18)/LTE-TDD(CAT-18)/WCDMA/TD-SCDMA/EVDO/CDMA/GSM 等多種制式;支持 WiFi 5 802.11 a/b/g/n/ac,BT v2.1+EDR,3.0+HS,v4.1+HS,V5.1,支持 Beidou(北斗),Galileo,Glonass,GPS,QZSS 多種制式衛星定位;擁有多個音頻、視頻輸入輸出接口和豐富的 GPIO 接口。
XY6877ZA安卓核心板(MT6877),聯發科全新5G SoC,采用6nm工藝制程,擁有四顆A78大核,芯片采用6.43英寸FHD+分辨率、90Hz刷新率、OLED左上角單打孔直屏,前置鏡頭為32MP,后置64MP的ov64b,型號或為PEQM00,擁有12GB運存、256GB的存儲和4400mAh電池。

XY6877ZA安卓核心板(MTK6877 平臺)功能特點:
旗艦級大核
XY6877ZA安卓核心板 配備了Arm Cortex-A78 核心,頻率高達 2.4GHz,擁有卓越的性能,帶來更快的應用程序響應速度,Arm Mali-G68 GPU 不僅具備了 Mali-G78 的先進技術,還采用了低功耗設計,進一步延長電池續航。
靈活的內存和存儲設計
可選擇適配 LPDDR5 或 LPDDR4X 內存,UFS 3.1 或 UFS 2.2 存儲。天璣 900 是同類產品中為數不多的不需要重新設計平臺,就能彈性支持領先內存和存儲標準的移動芯片。
高能效 6nm 制程
XY6877ZA安卓核心板 采用臺積電 6nm 制程,讓八核處理器功耗更低并延長電池續航。
4K HDR 視頻引擎,旗艦級降噪
XY6877ZA安卓核心板 集成了硬件級 4K HDR 視頻錄制引擎,結合旗艦級 3D 降噪(3DNR)和多幀降噪(MFNR)技術,能夠在 4K HDR 視頻拍攝中實現更出色的影像效果。
支持多攝像頭組合,主攝最高可支持 1.08 億像素,相較上一代天璣移動芯片,可以多呈現 35% 的細節。
真 AI 相機
為滿足新一代流媒體 4K HDR 視頻和單攝像頭 AI 散景(AI-bokeh)的使用需求,XY6877ZA 集成了 MediaTek 第三代 AI 處理單元,具有高效的 INT8、INT16 和 FP16 運算的浮點精度優勢,提升高端 AI 相機拍攝體驗。
5G
5G 載波聚合能夠實現更高的平均速率和兩個 5G 連接區域之間的無縫切換,信號覆蓋層可擴大 30% 以上。XY6877ZA 支持 5G 雙載波聚合,可實現 120MHz 的頻譜帶寬,支持混合雙工 FDD+TDD。
延續 MediaTek 自 2008 年以來的雙 SIM 卡技術領先優勢,XY6877ZA 為高端 5G 智能手機用戶提供 5G 雙卡待機功能,且雙卡均支持 5G SA 獨立組網/NSA 非獨立組網,以及雙卡 VoNR 語音服務。隨著 5G SA 獨立組網的逐漸普及,用戶可以隨時從雙連接享受優質的 VoNR 服務。
采用先進 6nm 制程的高能效,集成了 5G 調制解調器,結合 MediaTek 5G UltraSave 省電技術,XY6877ZA 支持更多節能技術以降低 5G 通信功耗,包括:
MediaTek 5G UltraSave 網絡環境偵測
MediaTek 5G UltraSave OTA 內容識別
BWP 動態帶寬調控
C-DRX 節能管理
MiraVision HDR 視頻播放和顯示
MiraVision HDR Video 是 MediaTek 獨家的視頻播放和顯示技術套件,可智能調整視頻流的畫質參數,例如顏色、亮度、對比度、銳利度和動態范圍等,其主要功能包括:
HDR10 內容實時升級為類似 HDR10+ 的顯示效果
支持每幀畫面的局部色調映射,以增強 HDR10+ 視頻播放的影像畫質
實時 HDR 編寫,將 SDR 內容提升至接近 HDR 的顯示效果
支持 120Hz 刷新率
120Hz 高刷新率能為用戶帶來更流暢的使用體驗,讓網頁滾動和應用程序動畫更平滑順暢。
終端廠商可以據此打造支持高分辨率 FHD+ 顯示屏和超快響應速度的智能手機。
普及 Wi-Fi 6
XY6877ZA 集成 Wi-Fi 6,支持 2x2 MIMO 的 Wi-Fi 6 為用戶提供了更快、更可靠的無線網絡連接,天璣 900 同時還集成了藍牙 5 和 GNSS(L1+L2),
集成式的無線連接比外掛解決方案更節能,并且擁有更小的芯片尺寸。
MediaTek HyperEngine 3.0 網絡引擎
搭載 HyperEngine3.0 的 MediaTek 天璣芯片可以在不影響自身游戲性能的前提下為其他設備提供 5G 連接。XY6877ZA 集成了 5G 調制解調器和 Wi-Fi 6,它們能夠更緊密地協同工作并帶來超級熱點游戲模式,當終端熱點被其他設備接入時,可以降低終端的功耗。
XY6877ZA安卓核心板(MTK6877 平臺)支持頻段:
類型 | 頻段 |
NR-SA | N1/N41/N78/N79 |
NR-NSR | N78+B1/B3/B5/B8,N79+B3/B39,N41+B3/B39 |
LTE-FDD | B1/B2/B3/B5/B7/B8 |
LTE-TDD | B34/B38/B39/B40/B41 |
WCDMA | B1/B2/B5/B8 |
TD-SCDMA | B34/B39 |
EVDO/CDMA | BC0 |
GSM | B2/B3/B5/B8 |
DL CCA | B1/B3/B7/B38/B39/B40/B41 |
DL NCCA | B3/B40/B41 |
Inter CA | B1+B3 B3+B5 B1+B5 B39+B41 |
UL CCA | B3/B38/B39/B40/B41 |
WiFi 802.11a/b/g/n/ac | 2400~2483.5MHz/5725~5850MHz/5925MHz |
BTV2.1+EDR,3.0+HS,V4.2+HS,BT5.1 | 2400~2483.5MHz |
GNSS | Beidou (北斗) ,Galileo,Glonass,GPS,QZSS |
XY6877ZA安卓核心板(MTK6877 平臺)主要性能參數:
Process | 6nm |
應用處理器 | 2xCortex-A78 up to 2.4GHz + 6xCortex-A55 up to 2.0GHz |
GPU | ARM Mali-G68 MC4 |
攝像頭接口 | 4xMIPI CSI (4 Data lanes) 32MP @ 30fps |
video decode | 4K 30fps H.264, H.265 / HEVC, MPEG-1/2/4, VP-9 |
video encode | 4K 30fps H.264/H.265 |
LCM 接口 | MIPI DSI (4 Data lanes) 最高分辨率支持 FHD+ (1080x2520) 120Hz |
AI Accelerator | Up to 2.0TOPs(每秒 2 萬億次運算) |
其他性能參數:
性能 | 說明 |
供電 | VBAT 供電電壓范圍:3.5V~4.35V 典型供電電壓:4.2V |
發射功率
| Class Class Class Class Class Class Class Class Class Class Class | 4 (33dBm±2Db) for GSM850/GSM900 1 (30dBm±2Db) for DCS1800/PCS1900 E2 (27dBm±3Db) for EGSM900/GSM850 8PSK E2 (26dBm±3Db) for DCS1800/PCS1900 8PSK 3 (24dBm+1/-3Db) for WCDMA bands 3 (24dBm+1/-3Db) for CDMA BC0 3 (24dBm+1/-3Db) for TD-SCDMA B34/B39 3 (23dBm ±2.7Db) for LTE FDD bands 3 (23dBm ±2.7Db) for LTE TDD bands 3 (23dBm ±2.7Db) for NR SA bands 3 (23dBm ±2.7Db) for NR NSA bands |
NR 特性
| 支持 3GPP R15 3.5Gbps DL/775Mbps UL 支持 5 – 100 MHz 射頻帶寬
支持下行 4 x 4 MIMO,上行 2 x 2 MIMO SA: Max 2.3Gbps (DL), 625Mbps (UL) NSA: Max 3.5Gbps (DL), 775Mbps (UL) |
LTE 特性 | 支持 3GPP R11 LTE CAT-18 DL/CAT-13 UL 支持 1.4 – 20 MHz 射頻帶寬 支持下行 4 x 4 MIMO FDD: Max 1.2Gbps (DL), 150Mbps (UL) TDD: Max 1.2Gbps (DL), 150Mbps (UL) |
WCDMA 特性 | 支持 3GPP R9 DC-HSPA+ 支持 16-QAM, 64-QAM and QPSK modulation 3GPP R6 HSUPA: Max 11.5Mbps (UL) 3GPP R8 DC-HSPA+: Max 42.2Mbps (DL) |
TD-SCDMA 特性 | 支持 3GPP R8 1.28 TDD TD-HSDPA:MAX 2.8Mbps(DL) |
TD-HSUPA:MAX 2.2Mbps(UL) |
CDMA 特性 | Max 3.1Mbps (DL), 1.8 Mbps (UL) |
GSM/GPRS/EDGE 特性 | GPRS: 支持 GPRS multi-slot class 12 編碼格式:CS-1,CS-2,CS-3 和 CS-4 每幀最大 4 個 Rx 時隙 |
GSM/GPRS/EDGE 特性 | EDGE: 支持 EDGE multi-slot class 12 支持 GMSK 和 8PSK 編碼格式:CS1-4 和 MCS 1-9 |
WLAN 特性 | 2.4GHz/5GHz 雙頻段,支持 WIFI6, 802.11a/b/g/n/ac/ax, 2x2 MIMO,最高至 1700Mbps,支持 AP 模式 |
Bluetooth 特性 | BT v2.1+EDR,3.0+HS,v4.1+HS,V5.2 (Low Energy) |
衛星定位 | Beidou,Galileo,Glonass,GPS,QZSS, GNSS (L1+L2) |
EMMC/UFS | 最高支持 UFS2.2,256G Byte; |
DDR | 最高支持 12G Byte @ 2 channels 16bit x LPDDR4X 4266MHz |
短消息 (SMS) | Text 與 PDU 模式 點到點 MO 和 MT SMS 廣播 SMS 存儲: 默認 SIM |
AT 命令 | 不支持 |
音頻接口 | 音頻輸入: 3 組模擬麥克風輸入 1 路作為耳機 MIC 輸入, 另兩路是正常通話降噪 MIC 音頻輸出: AB 類立體聲耳機輸出 AB 類差分聽筒輸出 AB 類差分輸出給外部音頻功放 |
USB 接口 | 支持 USB3.0 Device 模式,數據傳輸速率最大 5.0Gbps 用于軟件調試和軟件升級等 支持 USB2.0 OTG |
USIM 卡接口 | 2 組 USIM 卡接口 支持 USIM/SIM 卡:1.8V 和 3V 支持雙卡雙待 |
SDIO 接口 | 支持 SD/SDHC/MS/MSPRO/MMC/SDIO2.0 or 3.0 4bit SDIO,8bit SDIO 支持熱插拔 |
I2C 接口 | 8 組 I2C,最高速率至 400K,當使用 I2C 的 DMA 時最高速度可以達到 3.4Mbps,用于 TP、Camera、Sensor 等外設 |
SPI 接口 | 4 組 SPI 接口,SPI1,2 最高速率至 54Mbit/s,SPI0,2,5 最高速率至 27Mbit/s,支持 TX 與 RX 的 DMA mode。 |
ADC 接口 | 四路, 用于通用 12 bit ADC,Input range=0.05~1.45V |
天線接口 | 4 個 RF 天線、WIFI/GNSS (L1) /BT 天線、WIFI2/GNSS(L5)天線、 FM RX 天線接口 |
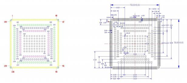
物理特征 | 尺寸:50±0.15×50±0.15×2.65±0.2 mm 接口:184LCC+237LGA 翹曲度:<0.3mm 重量:10.9g |
溫度范圍 | 正常工作溫度: -20°C~ +70°C 極限工作溫度: -25°C ~+80°C 1) 存儲溫度: -40°C ~ +85°C |
軟件升級 | 通過 USB |
RoHS | 符合 RoHS 標準 |
XY6877ZA安卓核心板(MTK6877 平臺)物理尺寸:

XY6877ZA安卓核心板(MTK6877 平臺)俯視圖尺寸:

欲了解更多產品詳細規格,技術咨詢劉先生,電話微信 18688981861