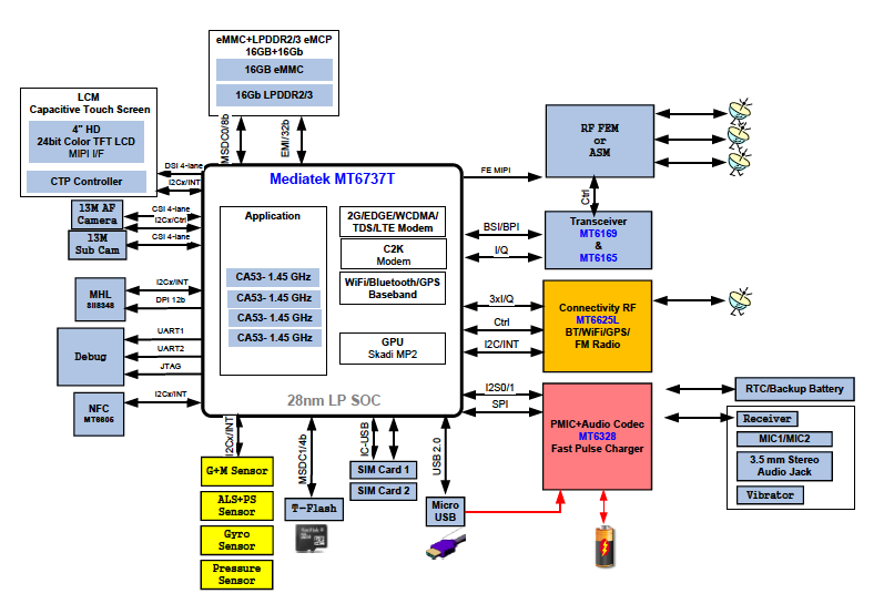
XY6737核心板(MTK6737平臺)
CPU:MediaTek MT6737T
架構:ARM Cortex-A53 四核1.5GHz
操作系統:Android 7.0
內存 : 1GB+8GB/2GB+16GB/3GB+32GB
網絡支持:2G/3G/4G全網通
無線連接:WiFi/Bluetooth/GPS/Beidou
MT6737核心板是一款基于聯發科MT6737T平臺高性能、可運行安卓操作系統的4G智能模塊,支持LTE-FDD/LTE-TDD/WCDMA/TD-SCDMA/EVDO/CDMA/GSM等多種制式;支持WiFi 802.11a/b/g/n,BT4.0LE近距離無線通信,支持GPS/GLONASS/北斗多種制式衛星定位;支持多種語音和音頻編解碼器,內部集成 Mali-T720 MP2高性能圖形引擎,可以流暢播放1080P視頻;擁有多個音頻、視頻輸入輸出接口和豐富的GPIO接口。

網絡頻段:
類型 | 頻段 |
LTE-FDD (with Rx-diversity) | B1/B3/B5/B8 |
LTE-TDD (with Rx-diversity) | B38/B39/B40/B41 |
WCDMA | B1/B5/B8 |
TD-SCDMA | B34/B39 |
EVDO/CDMA | BC0 |
GSM | 850/900/1800MHz |
WiFi 802.11b/g/n | 2400-2483.5MHz/5725-5850MHz |
BT4.0 LE | 2400-2483.5MHz |
GNSS | GPS/GLONASS/北斗 |
主要性能參數:
性能 | 說明 |
應用處理器 | 4核 ARM Cortex-A53處理器 主頻最高至 1.5GHz 512kB 2級緩存 |
調制解調處理器 | ARM@Cortex-R4 + DSP ARM最高頻率600MHz,DSP的頻率250MHz 512KB L2 |
供電 | VBAT供電電壓范圍:3.5V~4.3V 典型供電電壓:4V |
短消息 (SMS) | Text與PDU模式 點到點MO和MT SMS廣播 SMS存儲:默認SIM |
LCM接口 | 4組MIPI_DSI,每組最高支持1.0Gbps速率; 最高支持1920*1080 60fps(4組MIPI_DSI); 24bit色彩深度 |
攝像頭接口 | 4組MIPI_CSI,每組最高支持1.5Gbps速率,可支持2個攝像頭; 后攝像頭使用4組MIPI_CSI,最高支持13MP像素 前攝像頭使用4組MIPI_CSI,最高支持13MP像素 前后攝像頭可以支持雙錄,畫中畫功能 |
音頻接口 | 音頻輸入: 3組模擬麥克風輸入 1路作為耳機MIC輸入,另兩路是正常通話降噪MIC 音頻輸出: AB類立體聲耳機輸出 AB類差分聽筒輸出 AB/D類差分揚聲器功放輸出0.8W |
USB接口 | 支持USB2.0高速模式,數據傳輸速率最大480Mbps 用于軟件調試和軟件升級等 支持USB OTG(需外加 5V供電芯片) |
USIM卡接口 | 2組USIM卡接口 支持USIM/SIM卡:1.8V和3V 支持雙卡雙待 |
SDIO接口 | 支持SD2.0;4bit SDIO;SD/MMC卡 支持熱插拔 |
I2C接口 | 4組I2C,最高速率至400K,當使用I2C的DMA時最高速度可以達到3.4Mbps,用于TP、Camera、Sensor等外設 |
ADC接口 | 1路,用于通用ADC |
天線接口 | MAIN天線、DRX天線、GNSS天線、WIFI/BT天線接口 |
物理特征 | 尺寸:40.5±0.15×50.5±0.15×2.8±0.2 mm 接口:LCC 翹曲度:<0.3mm 重量:10.9g |
溫度范圍 | 正常工作溫度:-20°C ~ +70°C 極限工作溫度:-25°C和+80°C 1) 存儲溫度:-40°C ~ +85°C |
軟件升級 | 通過USB |
RoHS | 符合RoHS標準 |
點此下載MT6737核心板規格書
請直接聯系劉先生,電話微信同號:18688981861